Pétfürdő, Eladó Családi ház (#159023)
Remek lehetőség Pétfürdő központjában!
Eladó Pétfürdő központjában, elkezdett szolgáltató ház melynek jelenlegi készültségi foka 55%. A földszinten négy üzlethelyiség, kettő iroda tetőtérbe négy lakás került kialakításra, az épület alatt két raktár és négy garázs található. Kiváló befektetési lehetőség, a tervek már megvannak Önnek csak be kell fejeznie az épületet.
Jellemzők
Az ingatlanba bevezetésre került a vezetékes elektromos áram és a víz, a többi közmű a közterület felől elérhető.
A tetőn napelemek lettek elhelyezve, a fűtés hőszivattyúval megoldható.
A melegvíz vételezést villanybojlerről megoldott megújuló energia-napelem felhasználásával tervezték.
Maga a telek Vt-5 besorolású, miszerint szabadonálló beépítési mód, 40% beépíthetőség jellemzi. A megengedett legnagyobb építménymagasság 4 méter.
A meglévő tervdokumentáció szerint lakó-és szolgáltatóház, de lehetőség van akár társasházzá történő átalakítására.
Egyéb információval kapcsolatban hívjon bizalommal.
Bővebb tájékoztatást az Openhouse székesfehérvári irodájában előre egyeztetett időpontban tudunk adni.
Hitelre lenne szüksége? Kollégám díjmentes, banksemleges hitelügyintézésben nyújt segítséget!
Helyiségek
| Helyiség | Alapterület | Padlóburkolat |
|---|---|---|
| Előtér | 30.80 m2 | Beton |
| Előtér | 26.70 m2 | Beton |
| Előtér | 8.00 m2 | Beton |
| Iroda | 12.80 m2 | Beton |
| Eladótér | 9.50 m2 | Beton |
| Közlekedő | 6.10 m2 | Beton |
| Iroda | 6.00 m2 | Beton |
| mosdó | 9.10 m2 | Beton |
| Eladótér | 25.70 m2 | Beton |
| Raktár | 5.20 m2 | Beton |
| Eladótér | 19.20 m2 | Beton |
| Eladótér | 24.50 m2 | Beton |
| mosdó | 5.40 m2 | Beton |
| Eladótér | 18.90 m2 | Beton |
| öltöző | 3.20 m2 | Beton |
| mosdó | 2.40 m2 | Beton |
| Eladótér | 24.50 m2 | Beton |
| mosdó | 2.40 m2 | Beton |
| Eladótér | 45.10 m2 | Beton |
| Raktár | 4.90 m2 | Beton |
| mosdó | 3.10 m2 | Beton |
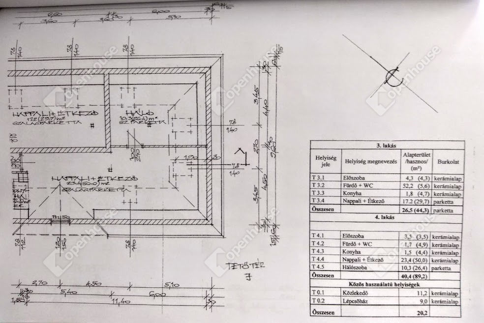
| Közlekedő | 11.20 m2 | Beton |
| Lépcsőház | 9.00 m2 | Beton |
| Előszoba | 7.00 m2 | Beton |
| Fürdő | 5.20 m2 | Beton |
| Szoba | 11.30 m2 | Beton |
| Konyha | 4.40 m2 | Beton |
| Nappali | 22.20 m2 | Beton |
| Szoba | 10.30 m2 | Beton |
| Előszoba | 2.10 m2 | Beton |
| Gardrób | 1.40 m2 | Beton |
| Nappali | 30.20 m2 | Beton |
| Konyha | 6.20 m2 | Beton |
| Fürdő | 5.60 m2 | Beton |
| Szoba | 10.40 m2 | Beton |
| Előszoba | 4.30 m2 | Beton |
| Fürdő | 5.60 m2 | Beton |
| Konyha | 4.70 m2 | Beton |
| Nappali | 29.70 m2 | Beton |
| Előszoba | 3.50 m2 | Beton |
| Fürdő | 4.90 m2 | Beton |
| Konyha | 4.40 m2 | Beton |
| Nappali | 50.00 m2 | Beton |
| Szoba | 10.30 m2 | Beton |
| Garázs | 36.00 m2 | Burkolat nélküli |
| Garázs | 26.70 m2 | Burkolat nélküli |
| Garázs | 26.70 m2 | Burkolat nélküli |
| Garázs | 25.20 m2 | Burkolat nélküli |
| Raktár | 17.20 m2 | Burkolat nélküli |
| Iroda | 5.80 m2 | Burkolat nélküli |
| Tároló | 4.80 m2 | Burkolat nélküli |
| Raktár | 17.20 m2 | Burkolat nélküli |
| Iroda | 5.80 m2 | Burkolat nélküli |
| Tároló | 4.80 m2 | Burkolat nélküli |
| Raktár | 36.00 m2 | Burkolat nélküli |
Alaprajz






















Magyar 
